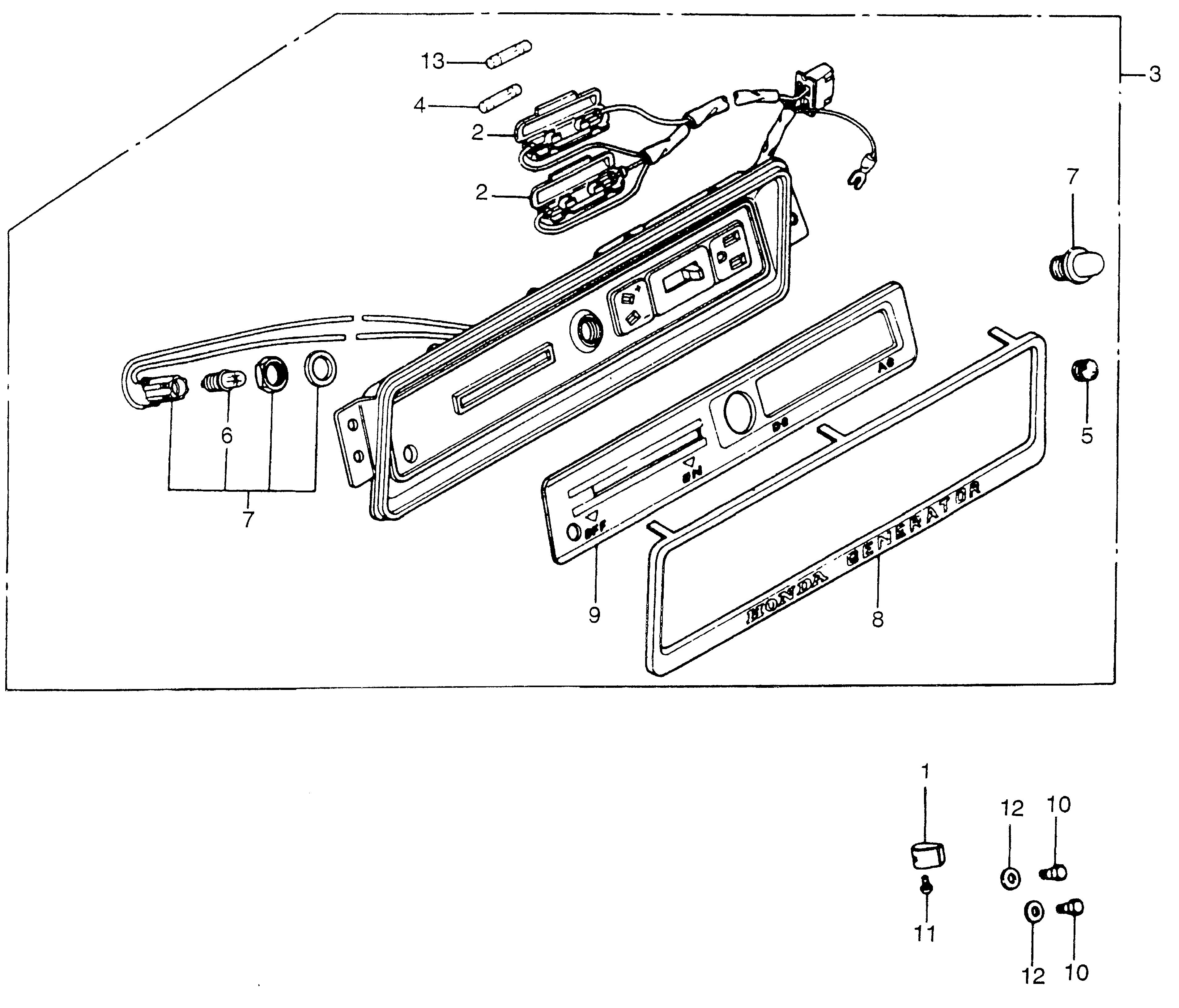
Generators EM EM400 EM400 A EM400-1000001-9999999 SWITCH@RECEPTACLE - Scotty's Cutters Edge

Ref No
Part Number
Description
Serial Range
Qty
Price

Ref No
1
Part Number
16969-844-621
Description
KNOB, ON-OFF (NOT AVAILABLE)
Serial Range
1000001 - 9999999

Ref No
2
Part Number
32111-230-000
Description
CASE, FUSE CONNECTOR
Serial Range
1000001 - 9999999
Qty
Price
$5.48

Ref No
3
Part Number
32340-836-731
Description
PANEL, FR. (NOT AVAILABLE)
Serial Range
1000001 - 9999999

Ref No
4
Part Number
38218-836-730
Description
FUSE ASSY., SPARE (NA USE ALT:32342-836-505)
Serial Range
1000001 - 9999999

Ref No
5
Part Number
32652-836-700
Description
GROMMET, CONTROL
Serial Range
1000001 - 9999999

Ref No
6
Part Number
34909-880-000
Description
BULB, DASH (24V-2W)
Serial Range
1000001 - 9999999
Qty
Price
$8.34

Ref No
7
Part Number
37561-815-158
Description
SOCKET ASSY., PILOT LAMP
Serial Range
1000001 - 9999999

Ref No
8
Part Number
87524-836-700
Description
MOLDING, FR. PANEL
Serial Range
1000001 - 9999999

Ref No
9
Part Number
87540-836-730
Description
PLATE, FR. PANEL (NOT AVAILABLE)
Serial Range
1000001 - 9999999

Ref No
10
Part Number
90004-836-000
Description
BOLT, FAN COVER (NOT AVAILABLE)
Serial Range
1000001 - 9999999

Ref No
11
Part Number
93500-03006-0A
Description
SCREW, PAN (3X6)
Serial Range
1000001 - 9999999
Qty
Price
$1.10

Ref No
12
Part Number
94101-05000
Description
WASHER, PLAIN (5MM)
Serial Range
1000001 - 9999999
Qty
Price
$1.20

Ref No
13
Part Number
98200-11000
Description
FUSE A (10A)
Serial Range
1000001 - 9999999
Qty
Price
$2.20